行业知识

仪表DCS控制系统调试

2024-11-25 10:02:32 科威

仪表DCS控制系统调试

DCS 系统检查调试

要完成对 DCS 系统的检查和调试,必须首先对系统的结构、原理、操作以及其控制特点充分理解后 才能进行,下面从 DCS 的定义(包含了系统的宗旨和要求)展开分别介绍系统的作用,完成这些功能需 要具备的软硬件配置以及由此形成的系统检查调试要求。

1995 年国际标准化组织(ISO)为 DCS 系统作的定义为:DCS 系统是一类满足大型工业生产和日益 复杂的过程控制要求,从综合自动化角度出发,按功能分散、管理集中的原则构思,具有高可靠性指标, 将微处理机技术、数字通讯技术、人机接口技术、I/O 接口技术相结合,用于数据采集、过程控制和生 产管理的综合控制系统。

可以看出,DCS 系统的技术基础是微型计算机,应用对象是生产过程,技术特点是集中操作、管理 和分散控制。其英文名称为 Distributed Control System(简称 DCS),从过程控制来讲,由于是将计 算机技术应用到自控领域上,因此系统具有双重特性;从过程管理上讲,DCS 又引进了信息通讯技术,这是 DCS 系统检查调试的依据和基本点。

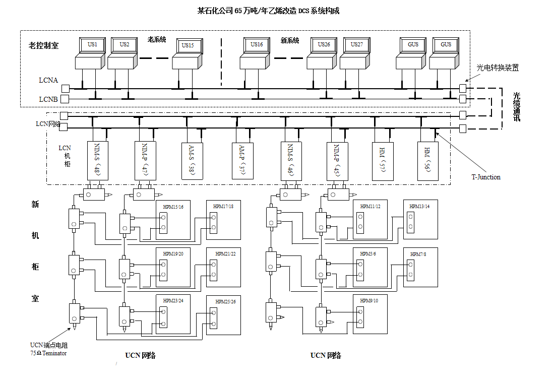
1、典型DCS 系统构成

集散控制系统虽然品种繁多,但一个最基本的 DCS 分为两级(过程控制级和过程管理级),包括四 个大的组成部分:现场控制站(过程控制级)、操作站、工程师站和一条系统网络(过程管理级)。

其中现场控制站是 DCS 核心,完成控制功能(包括机柜间和现场设备,主控制器与 I/O 设备之间使 用控制网络连接);操作站主要实现人机界面(操作间);工程师站主要作用是对 DCS 进行应用组态(单 独);系统网络连接系统各个站,实现数据和信息的传输。


下面以honeywell的TDC3000为例说明系统的构成。

TDC3000 有两条网即局部控制网络(LCN)和通用控制网(UCN)以及其网上设备构成。

LCN 网络 (1)网络设备

LCN 作为过程管理网络除了操作站、工程师站外还挂接了以下设备:应用模件AM(提供高级控制和 计算算法,是 LCN 上的模件)、历史模件 HM(大容量存储模件,存储过程历史数据、系统软件、用户应 用软件等),另外它通过网络接口模件(NIM)与过程网络 UCN 连接(不能直接与现场连接),使其成为一个节点,从而实现对现场的过程管理。

每个LCN 设备都是由电路板和外部设备构成,电路板包含有四个方面:主板、内存板、接口板和特 性板,其中前三个通用,特性板决定了LCN节点类型的板卡,不同设备这块板不同,它提供节点对外部 设备的驱动以及与外部设备的连接,而接口板提供与 LCN 的连接。

NIM 是 TDC3000 中连接 LCN 和UCN 的节点,它既是 LCN 的节点,又是 UCN 的节点,具有双重身份。主要是实现LCN 与UCN 的时钟同步和实时数据交换以及二者间通讯协议和数据格式的转换,LCN 通过NIM访问 UCN 的数据并把程序和数据库加载到 PM 中去,UCN 则上传报警和信息。

冗余设备的主设备节点地址为奇数,副设备节点地址为偶数。

(2)网络通讯

采用总线型通讯网络,“令牌传送”协议;以两条冗余的同轴电缆作为主要传输介质,传输速率为 5 兆位/秒,每段电缆长度不超过 300  米,每条电缆的两端各需要一个 75Ω的端电阻;电缆通过“T”连接器与 LCN 模件上的接口板相连,网络上的模件顺序连接,最多可接 64 个模 件。

(2)UCN 网络

(1)网络设备

过程管理器(Process Manager,PM)—数据采集和过程控制于一体的过程接口装置;逻辑管理器(Logic Manager);

高性能过程管理器(High Performance Process Manager,HPM);先进过程管理器(Advance Process Manager,APM)。

其中 PM 由三个部分组成:PM 组件(PM Module,PMM)、输入输出子系统(I/O Subsystem)和现场 接线端子板(Field Termination Assembly),加上电源等辅助部分一起装在机柜中。PMM 由 5 个卡组 成:

Modem 卡,用于连接 UCN 网络电缆,接收和发送与 UCN 的通讯信号;(对上,连接网络)

Commun 卡,支持网络数据访问、点对点通讯;(支撑网络)

I/O Link 卡,与 I/O 卡件通讯;(对下,面向现场)

Control 卡,完成各种控制运算;(对内,控制功能)

Redun 冗余卡。

(2)PM 与UCN 连接

UCN 网络由主干(Trunk)电缆、支线(Drop)电缆和“Tap”连接器把各个设备连接起来,电缆采用同轴,主干是 Tap 头之间连接线,支线是 Tap 头与设备之间的连接线,Tap 头没有连接电缆的接线端 必须连接一个 75Ω电阻。

(3)通讯

采用点对点(PEER-TO-PEER)通讯方式;双电缆冗余通讯,通讯速度是 5 兆位/秒;载波、令牌总线网络通讯;网络距离 300 米,节点间电缆长度最多 50 米。

图片关键词

为了使系统更加可靠,集散系统得处理器、内部总线、电源均采用了冗余配置,重要的 I/O 卡件也可配置为冗余方式。

系统内部有很强的自诊断功能,一般卡件支持热插拔,降低了系统故障的诊断时间。

3)操作站的类型

通用操作站(Universal Station,US);

带 Unix 的通用操作站(Universal Station X,UXS)

全方位用户站(Global User Station,GUS,它以 PC 机为硬件平台,增加一个 APP Node 专用的LCNP 扩展板,支持 LCN 通讯,实现与 Windows NT 操作系统的连接,提供本地窗口应用程序的显示与操 作功能)。

下面是 TDC3000 通用操作站 US 操作员键盘图。

图片关键词

键盘右半部分是系统已经定义好的功能键和辅助键,左半部分中上面是供用户组态定义的功能键(通常能过是流程图画面),下半部分是字母键。

检查调试项目由于 DCS 同时具备了自控和计算机双重技术,检查调试的项目应涵盖这两个方面,按流程依次为:计算机系统工作前提(环境和安装)→系统设备的运行状态确认(单一和网络各节点)→运行中故障连续的冗余测试→通道、精度和参数检查的 I/O 测试→实现自动控制的功能检查,包括以下项目:

系统连接检查;

上电条件确认;

硬件状态确认;

系统软件试验;

应用软件试验;

系统回路试验。

过程操作

操作站是人机界面对话窗口,是系统功能检查调试的终端,所有的测试和试验功能确认都可以在操 作站实现。

3.1 系统连接检查现场控制站、操作站、工程师站等安装完成后,需要对系统的各个节点进行连接,包括单元供电、信号、接地和通讯四个方面。

(1)电源按照图纸要求,将供电电源从电源分配柜引出,连接到节点电源端子上,需要注意的是,接线前要 确认电源主副回路,不能接错。

(2)信号包括了两个方面,一个是来自于现场的信号电缆,它们连接到端子过渡柜、安全栅柜或者控制 柜的端子排上;另一部分是从端子柜连接到 FTA 卡的连线,包括了室内返线和盘内返线,厂家成套提供 的 FTA 卡到卡件的专用电缆也作为信号回路线连接。检查重点包括五个方面:信号线与电源线之间的走向和距离(50mm 以上),当无法满足平面距离要求时采取的措施(分 层或安装屏蔽板接地)是否合理;本安系统有关的电缆(本安电缆与控制电缆有区别)和端子排色标(通常为蓝色)符合要求; 接线确保安全区与危险区的隔离,满足进线/出现统一要求;盘柜内本安回路导线要单独成束,与非本安导线分汇线槽放置,当无法避免时要用绝缘纸隔离;系统电缆(随机带来的)外观和型号尺寸检查满足技术要求;

(3)接地

接地电缆包括了工作接地和保护接地两种类型,需要严格按照厂家和设计要求的方式进行,检查包 括:工作地与保护地不能出现混接;接地端子连接方式正确,压接牢固;接地线材质和直径选择满足系统(设计)要求;接地线绝缘护套的颜色符合设计要求,未规定时应采用黄绿相间色或绿色(有些地方要求区分 工作接地和保护接地,使用不同颜色护线套);屏蔽接地连接到工作接地上,形成单端接地,保护接地不能采用串联形式;当机柜供电电源线与信号线交叉,或者盘柜内有 220V 用电设备时,盘内返线屏蔽层(或者备 用线)也应单端接地,或者与现场来的信号线屏蔽层形成电气连续后单端接地。

(4)通讯

通讯电缆是指连接网络节点、实现数据和信息传输的介质,从成品角度分为厂家成套供货和现场制 作两种,检查的主要方面包括:由于传输过程会出现信号衰减,系统厂家对电缆长度有要求;电缆的材质决定了电缆的传输速率(波特率),所以要检查电缆的型号规格;网络端点要加终端器实现系统匹配(如 TDC3000 中 UCN 网络中使用的 Tap 连接器没有连接电缆 的接线端需要一个 75Ω的端电阻);为了防止干扰,通讯电缆应单独敷设,避免与其它电缆混放。

上电前检查

为了确保系统上电时不会损坏设备并使其处于工作状态,需要提前对有关项目进行二次检查,检查 项目包括:环境条件检查(温度、湿度和洁净度);各类电缆分别使用了不同的进线口;接地电阻值(保护接地和工作接地,接地电阻测试报告);供电系统电源(电压幅值、频率和主副回路);确认所有设备电源开关都在“OFF”位置。机柜中各插卡(安装位置、规格、型号和物理地址);外围设备(如打印机)。

硬件测试

TDC3000 系统硬件包括 LCN(局部控制网)设备(操作站 / HM/ NIM/ AM)、UCN(通用控制网)设 备(PM/ APM/ HPM/ LM/ SM)和外围设备(打印机等)。

检查无误后逐个对系统的各个设备上电,正常后运行厂家在设备上配置好的硬件测试程序,完成各 个设备和系统的自检功能,确认机柜各卡件和操作站的工作良好,系统通讯各单元运转是否正常。

软件安装

系统中使用的软件有系统软件(诊断程序/应用程序/组态程序/标准画面/等)、用户软件(组态结 果)和数据库软件(过程历史数据)。

由厂家完成或按生产厂家以及随盘文件装载技术要求,利用光盘或 ZIP 盘从工程师站装载系统软件 和应用软件并下载到各控制单元。

下载完成后在调试前和调试后要对应用软件进行拷贝。

系统启动

启动网络各个节点,确认系统状态显示正常。

(1)系统状态检查操作

TDC3000 系统设备在运行同时进行自测试,系统的状态通过两种方式可以显现出来,供检查调试人员判断:

①各个模件和卡件都有状态指示灯,报告着设备的运行状态是否 OK。例如 UCN 上的 PMM 和 IOP  模件,PMM 的五个卡件和 IOP 卡件每个上都有两个 LED 指示灯,一个是电源指示灯(POWER),另一个是 状态指示灯,前者表示是否有 24V 电源,后者则表示卡件的状态(点亮表示状态 OK,闪烁表示软故障,  熄灭代表硬故障)。

②通过 US 对系统状态的检查

US 操作站中有一个 SYST STATS(系统状态)键,用于对整个系统状态进行检查的,功能如下:

显示 LCN 设备状态(如 CONSOLE、AM、HM 等);

显示 UCN 状态,OK 表示正常,FAIL 表示故障;

显示每个方框(触标,即目标)的功能,可调出相应设备的细目状态信息,如 LCN 电缆状态。其中绿色表示系统设备正常工作,黄色表示虽然还可以工作但有问题,红色表示问题严重不能工作了。按下 SYST STATS 后出现的画面如下:

图片关键词

从上面的画面上可以看出 LCN 网络上的各个模件(节点)的工作状态以及电缆状态。每个挂接在

LCN 的模件都有一个独立的总貌显示,每幅画面上都能显示其它模件的状态。如按 CONS STATS 键,就 得到一个 LCN 网上挂接的所有操作站的状态画面,包括了设定的节点号、操作站类型、目前的状态以及控制区域划分等信息。

在操作站画面或模件状态画面上,都有一个 LCNOVERVIEW 触标,选择此触标可调出 LCN 总貌画面,由此了解 LCN 各个节点的运行状态。

UCN 状态检查:

在系统状态画面上,过程网络状态部分指示当前各 UCN 的工作状态,当某条 UCN 网有问题时,可选 择该 UCN 触屏而进一步得到该 UCN 的状态显示画面,画面中各个 PM 的工作状态及 UCN 电缆状态等信息 会显示出来,包括这条网络上挂接的所有节点的 UCN 地址、电缆和模件(PM、APM、HPM、NIM、LM 等)状态。

画面包括三个部分:

上部是 UCN 整体信息显示(左边:通讯电缆状态,OK-正常,Fail-故障;右边:①UCN 的自控 状态(LCN 的设备对 UCN 设备进行设定值和输出值写操作),BASIC-禁止,FULL-允许;②自动点检测状 态(每 4 小时将 UCN 的数据库自动存储到 HM 中去),ENABLE-允许,INHIBIT-禁止)。

中间是 UCN 各个节点的信息,单个节点状态信息表示如下:

图片关键词

复合设备状态包括了(ALIVE、IDLE、IO IDLE 和 OK),冗余设备状态包括(ALIVE 和 BACKUP)。

触屏单个节点,可以调出这个节点的详细状态画面,如一个 PM 中的 PMM、IOP、CABLE 等状态。当 需要对 PMM、IOP 等更详细的信息时,通过选择框图再按 TETAIL STATUS 键实现。

底部是控制 UCN 网络的各个命令触标。

与上面的节点结合使用,先选择 UCN 节点,再选择命令触标,触屏命令列表如下:

图片关键词

从操作站上检查流程图、趋势图、组、细目和报警总貌显示;

打印机功能和效果检查;

切换主电源和冗余电源,检查系统运行不受影响。

3.6 冗余功能的检查(参照《石油化工仪表工程施工技术规程》

1)控制器冗余的检查

在操作台上调出系统状态显示画面,确认控制器 OK;在另一操作台上调出一组画面且含有一个 位号,送 4~20mADC 信号于该位号,记录测量值、给定值和输出值;

将主控制器电源开关置于“OFF”状态,确认冗余控制器自动投入运行,操作台显示的位号值保 持不便;

将主控制器电源开关恢复“ON”状态,再确认操作台显示的位号值保持不变;

对于冗余控制器重复上述工作。

2)控制站冗余 I/O 卡件的检查

从操作站上调出控制站细目画面,确认全部 I/O 卡件状态正常;

从另一个操作站上调出一组细目画面且含有同一个位号,送 4~20mADC 信号于该位号,记录测 量值、给定值和输出值;

将主控站I/O 卡电源开关分别置于“OFF”状态,确认冗余控制站 I/O 自动投入运行,控制站细 目显示画面状态正确,选择位号的变量值保持不变;

主控站的I/O 卡电源开关重新置于“ON”状态,选择位号的变量值保持不变;

对于冗余控制站 I/O 卡件重复上述工作。

说明:对于可带电插拔系统可以手动拔下主 I/O 卡件,冗余卡件自动投入运行,且该卡件内各点各 变量保持不变。再将主卡件插入,各点变量不变。对于从卡件重复上述工作。

3)系统通讯冗余的检查, 通过软件手动切换主从通讯电缆,确认系统运行正常;或断开其中一路,  确认另一路通讯是否正常、系统工作是否正常,恢复连接后,通讯是否恢复正常。

3.7 应用软件检查测试

应用软件检查测试主要包括三个方面内容,即系统组态检查、I/O 测试和控制功能测试。

1)系统组态检查

系统组态由 DCS 厂家根据订货合同中“技术协议”的要求完成的,对这部分的检查到目前为止还在 由生产单位组织确认,DCS 厂家协助。

检查的依据是组态文件(仪表回路、梯形逻辑、先进控制等);

检查的内容见《石油化工仪表工程施工技术规程》SH3521

其中的常见概念:

系统(SYSTEM):一条 LCN 网之下的硬件设备总体,称为一个系统

区域(AREA):方便数据管理和规定操作站的操作内容而人为设置的范围,一个系统内最多可以有10 个区域,每个区域中包含若干个单元。

单元(UNIT):为方便数据管理而人为设置的范围,一个系统内最多可以有 100 个单元,每个单元 中包含若干个数据点,只有分配给某个区域的单元中的数据点,才能被操作员使用。

点(POINT):是系统中最小的控制单位,每个点代表一种算法具体应用且对应于过程中的一个仪表 工位号,一个点只能属于一个单元。

参数(PARAMETER):是算法进行计算的依据和结果,操作员的操作指令最终通过改变参数的值来实 现。

2)I/O 测试

I/O 测试是一种对通道、参数和精度的检查,在室内进行。输入端在系统自身配置信号出入口接线 端,操作和确认在操作站进行。需要注意的是,测试时对某一个参数点检查要全面,应包括了所有关联 画面,即细目显示、组显示、流程图显示和报警汇总显示,而不是单一在流程图进行。

测试前应根据 DCS 组态内容打印 I/O 清单,也可以打印出组显示画面作为测试依据。

(1)模拟输入

调出即将测试的仪表位号,检查信号描述和量程与设计要求一致;

输入 4~20mA 信号(或温度信号)至相应位号的模拟输入卡通道端,在操作台检查信号指示值 应与输入的信号幅度一致;

输入信号高低报警值,确认操作画面报警状态和报警总貌画面信息显示以及报警笛音;

根据点组态要求,检查信号超限时流程图显示状态信号。

(2)数字输入

调出即将测试的仪表位号,在细目画面上检查信号描述与设计要求一致;

在对应数字输入卡该位号通道上改变开/关状态,在细目画面、流程图画面和组画面上确认改点状态变化;

确认开关的正常/事故对应的开/合与操作站显示的状态统一。 

(3)模拟输出

从操作台画面上调出调节回路,将回路置于“MAN”状态;

连接精密电流表到对应模拟输出卡相应通道上;

手动操作输出分别为 0%、50%、100%,检查电流表指示为 4、12、20mA。

(4)数字输出

调出操作位号点,将其控制方式设置为“强制”状态;

键入“1”或“0”信号或按逻辑关系满足输入条件,在端子柜相应端子上用万用表测量输出信 号是否与设计一致。

3)控制功能

DCS 中控制功能是在组态中选择相应的功能块进行连接后实现,主要实现调节功能。

单回路调节功能检查:细目画面下将控制方式置于“手动”状态,操作输出同时检查流程图画 面 OP 值跟随变化,同时确认 SP 跟踪 PV 值;将控制方式置于“自动”状态,改变 SP 值,检查输出变化 方向确定控制正/反作用。

串级控制调节功能检查:

主调节器按照单回路调节功能检查;

副调节器控制方式置于自动或手动(AUTO/MAN),确认主调节器操作功能无效;

副调节器控制方式置于串级(CAS),主调节器控制方式置于“手动”(MAN),手动输出主调节器输 出,检查副调节器的 SP 值跟随变化,同时检查副调节器的控制作用方向;

(3)逻辑运算

DCS 系统一般完成常规逻辑控制或顺序控制,而紧急停车系统和安全仪表保护系统使用专门的控制 系统。

打印出梯形图和逻辑功能表作为试验依据;

将大型逻辑分解成为多个功能包,分别对每个包进行试验;

使用“FORCE”(强制)功能对大型逻辑进行试验,对顺控系统按照时间和条件作为主线逐条满足, 检查不同阶段对应的输出满足设计要求。

图片关键词

图片关键词


首页
产品
新闻
联系