电容器组不平衡保护四种接线方式
2023-09-25 科威
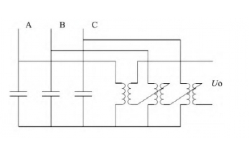
并联电容器组保护概述
PSA程控阀电磁阀故障原因分析
智能型压力变送器指示为0
2023-09-22 科威
550KW的风机用多大的变频器?
现场拍到的TN-S系统的错误接线
中频炉变压器发生励磁涌流要如何解决?
2023-09-21 科威
流量计“恒流”系统配置以及操作说明